网站首页
关于我们
产品展示
资料下载
新闻资讯
工程案例
在线留言
联系我们
资料下载
产品分类
全部产品
丹佛斯供热应用涡旋压缩机
丹佛斯空调应用涡旋压缩机
丹佛斯冷冻应用涡旋压缩机
丹佛斯变频涡旋压缩机
丹佛斯钎焊板式换热器
丹佛斯商用制冷阀件
电磁阀
电子膨胀阀
干燥过滤器
热力膨胀阀
压力、温度传感器
压力、温度控制器
丹麦
您当前的位置:
首页
- 丹麦 - 信息详情
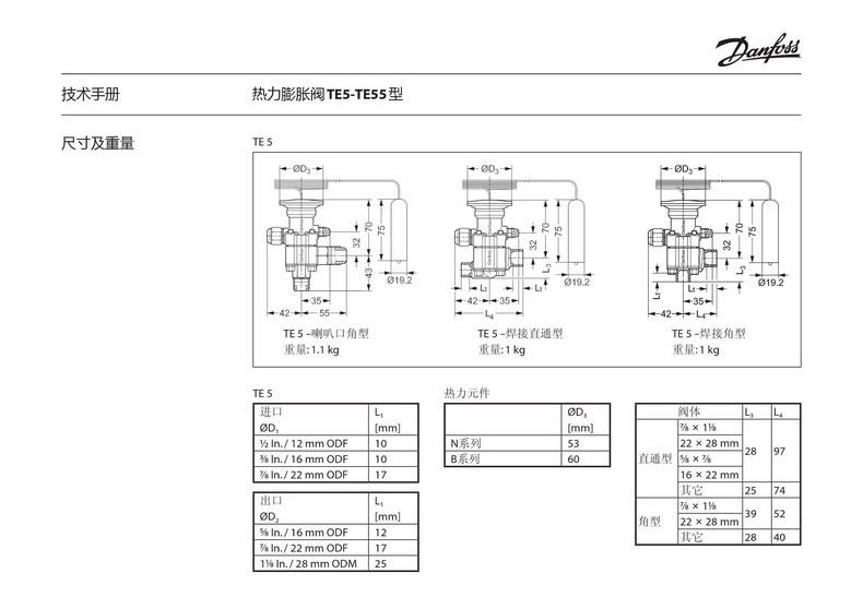
可换流口热力膨胀阀
2015-11-3
上一篇:
固定流口热力膨胀阀TGE型
下一篇:
压力、温度传感器
版权所有:北京东圣德威冷气设备有限公司 咨询电话:+86-010-66180583 传真:+86-010-66180583
公司地址:北京市通州区滨榆东路2号院6号楼
ICP备案号:京ICP备2025122696号-1